제품소개
신뢰할 수 있는 계측 기술로 구성된 제품 솔루션 입니다.
컴팩트하고 견고한 하우징으로, 급격한 온도 변화가 있는 환경에서도 정확한 온도 측정이 가능합니다. 센서와 케이블 앞부분을 하우징에 통합하여 센서 헤드 전체의 온도 차이를 최소화하고, 안정적인 열 환경을 유지합니다. 덕분에 정적 온도 구배로 인한 불규칙한 오차가 줄어듭니다. 열전도율이 높은 소재로 제작된 하우징은 센서 헤드 전반의 온도를 균일하게 유지하며, 스테인리스, 알루미늄, 황동과 같은 내구성 높은 소재로 만들어 기계적 손상으로부터 센서를 보호합니다. 또한 근접 초점 렌즈나 보호 윈도우 등 다양한 액세서리와 호환되어 활용도가 뛰어납니다.
-
Specification
일반 사양 (General Specification)
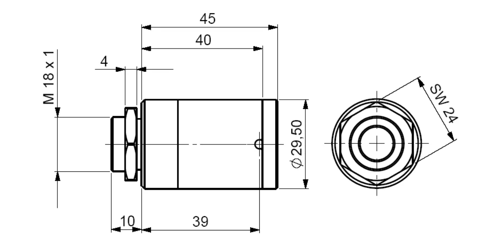
- 크기: Ø29.5 mm x 35 mm, M18x1
- 무게: 스테인리스: 180 g (D06ACCTMHS), 황동: 190 g (D06ACCTMHB), 알루미늄: 70 g (D06ACCTMHA)
- 재질: 스테인리스, 양극 산화 처리 알루미늄, 또는 황동
- 동작 온도 범위: 센서 헤드와 동일
-
Product Description
컴팩트하고 견고한 하우징은 급격한 주변 온도 변화가 있는 환경에서도 정확한 온도 측정을 보장합니다. 센서 헤드와 케이블을 일체형으로 설계해 센서 전체의 온도 구배를 최소화하고 열 환경을 안정화하여, 측정 오차를 효과적으로 줄일 수 있습니다. 스테인리스, 알루미늄, 황동 등 튼튼한 소재로 제작되어 센서를 안전하게 보호하며, 근접 초점 렌즈나 보호 윈도우 등 다양한 액세서리와도 완벽하게 호환됩니다.
-
Downloads
-
Scope of Supply
- 스테인리스, 양극 산화 처리 알루미늄, 또는 황동 소재의 센서 하우징 1개
- (옵션사양) 근접 초점 렌즈(close focus lens) 장착 가능


